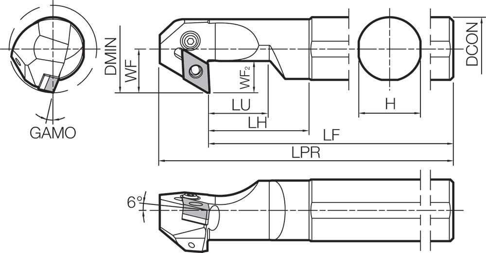
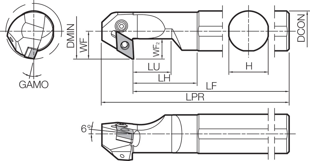
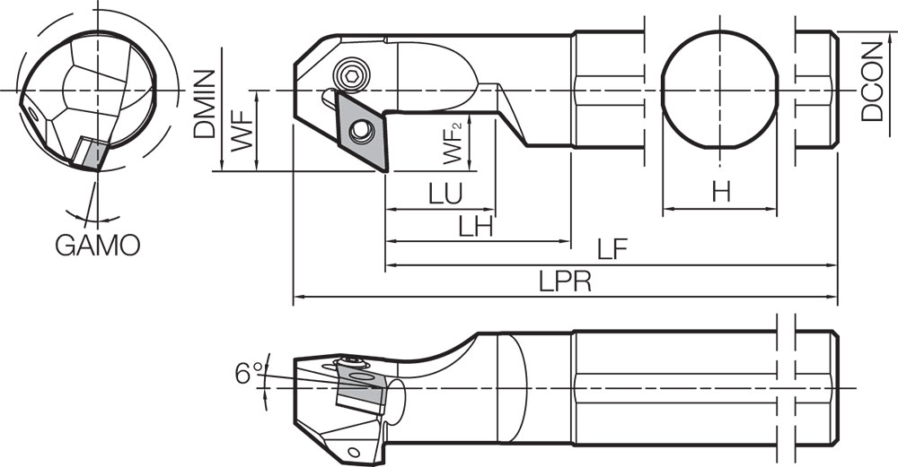
Kyocera S32SPDZNR1544 Right-Hand, Negative Rake, Boring Bar
Kyocera S32SPDZNR1544 Right-Hand, Negative Rake, General Purpose Boring Bar with 93 Degree Lead Angle and 44.00mm Minimum Bore Dia.
Kyocera S32SPDZNR1544 Right-Hand, Negative Rake, General Purpose Boring Bar with 93 Degree Lead Angle and 44.00mm Minimum Bore Dia.