Kyocera S40TPDZNR1554 Right-Hand, Negative Rake, Boring Bar
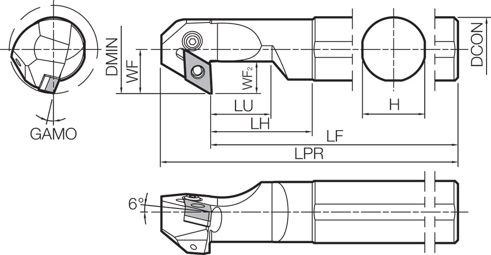
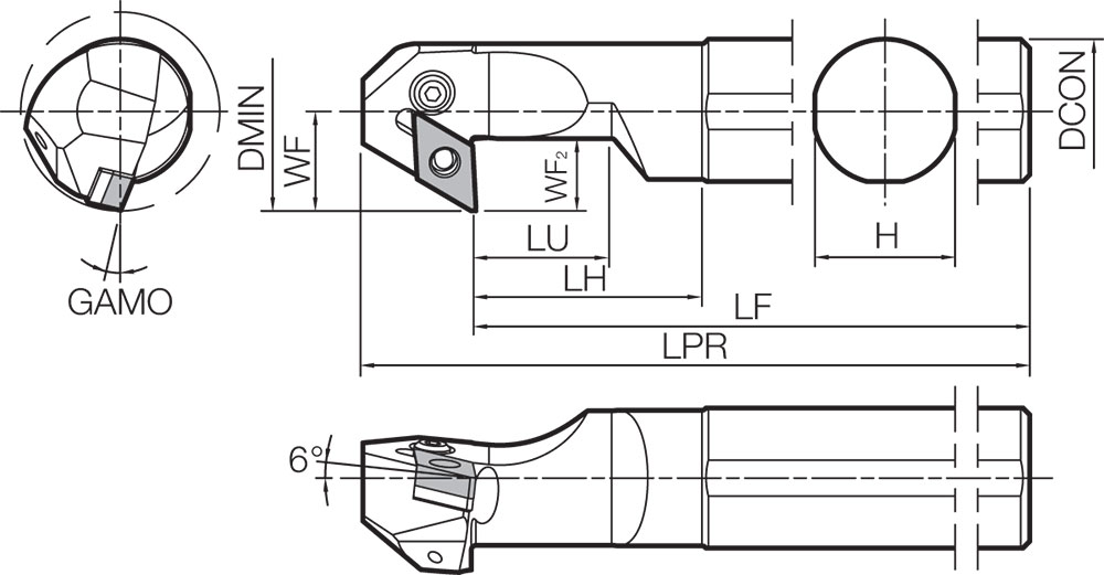
Kyocera S40TPDZNR1554 Right-Hand, Negative Rake, General Purpose Boring Bar with 93 Degree Lead Angle and 54.00mm Minimum Bore Dia.
Kyocera S40TPDZNR1554 Right-Hand, Negative Rake, General Purpose Boring Bar with 93 Degree Lead Angle and 54.00mm Minimum Bore Dia.