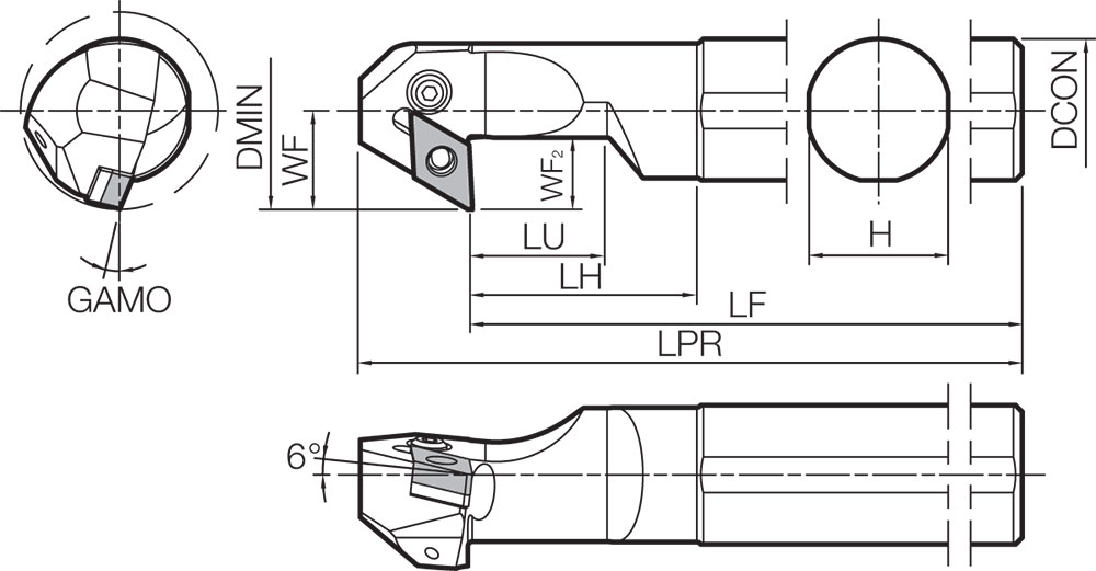
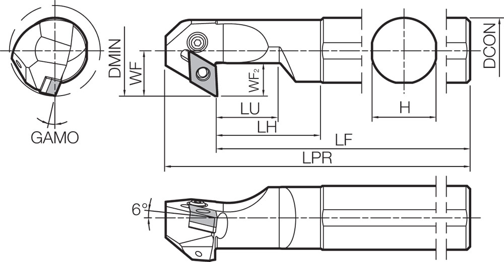
Kyocera S40TPDZNL1554 Left-Hand, Negative Rake, Boring Bar

Kyocera S40TPDZNL1554 Left-Hand, Negative Rake, General Purpose Boring Bar with 93 Degree Lead Angle and 54.00mm Minimum Bore Dia.

SKU: S40T-PDZNL15-54 Category: Brand: